• D使您的家更舒适D

    Make your home more comfortable

  • R让您的家更安全 R

    Make your home safer

  • B 保障您的家居安全L

    Protect your home safety

关于我们 About US

家庭卫士产品的优势 Product Introduction

1.成本低廉总成本近百元,而市面上类似产品价格近千元。

2.智能防控实时监控,在家中出现危险状况时通过微信智能AI报警,并在第一时间采取措施,保护家居安全。

3.轻松舒适实现舒适生活随手控,用户可利用手机对灯光、空调进行远程自定义调控。

4.方便操控可以无需安装任何app,没有软件时常更新的烦恼。关注微信公众号(内含小程序)或登陆指定网站(平台操控面板https://control.rslly.top),即可通过手机进行远程控制。

History

2017年
创万联团队筹备

这是我们的团队生日。

2020年
创万联推出专利产品1.5

我们真正进入了市场化进程。

2024年
创万联开启1.8计划

平台全面重构,正式进入agent智能体物联网时代

让你了解 物联家庭卫士1.5

  • 物联家庭卫士概述
  • 物联家庭卫士设计目的
  • 物联家庭卫士基本框架
  • 物联家庭卫士产品功能

1.物联家庭卫士概述

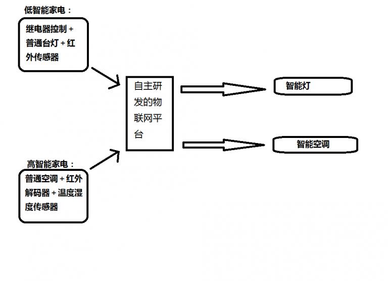
物联家庭安全卫士是一款以物联网和芯片技术为核心,致力于提升家居智能程度和安全程度的卫士系统。它包含检测、报警、自动防护等模块,拥有防火、防CO中毒、防燃气泄露、防盗、岭南特色回南天防潮湿空调等功能。我们的设备支持4G网络、wifi无线网络,具备微信人工智能报警功能和web端控制界面,同时具备市面上的电话,短信报警。特色产品为AI智能台灯。我们产品主要运用物联网和人工智能技术,计算机技术和芯片技术。通过自己编写程序和算法,实现物联系统的功能。高性能物联网平台纯自主开发,核心于1.6全面采用go语言编写,产品已经获得国家专利。

2.物联家庭卫士设计目的

家庭智能安全防护系统的设计目的是平时实时监测家中安全情况,当安全问题发生时第一时间通知用户,并采取措施减少损失。这样即使用户不在家或家中只剩老人、孩子时,家庭安全也能得到保证。同时用户可以通过安全卫士对家中设备进行手动控制。

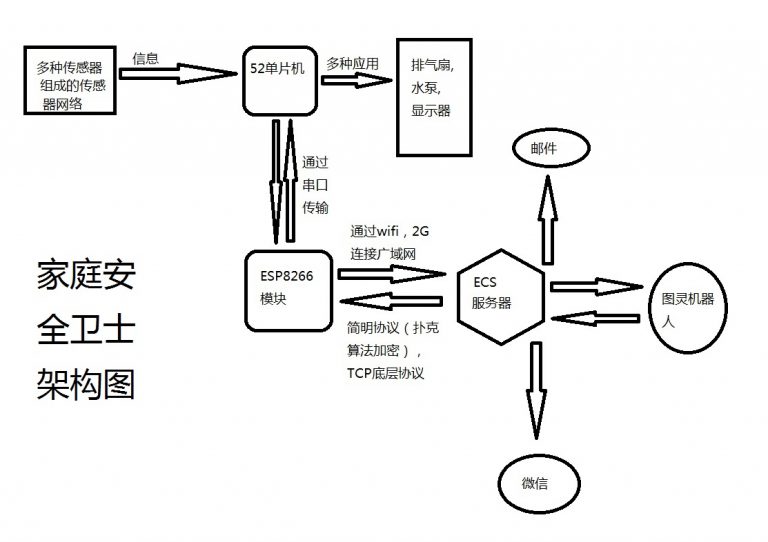
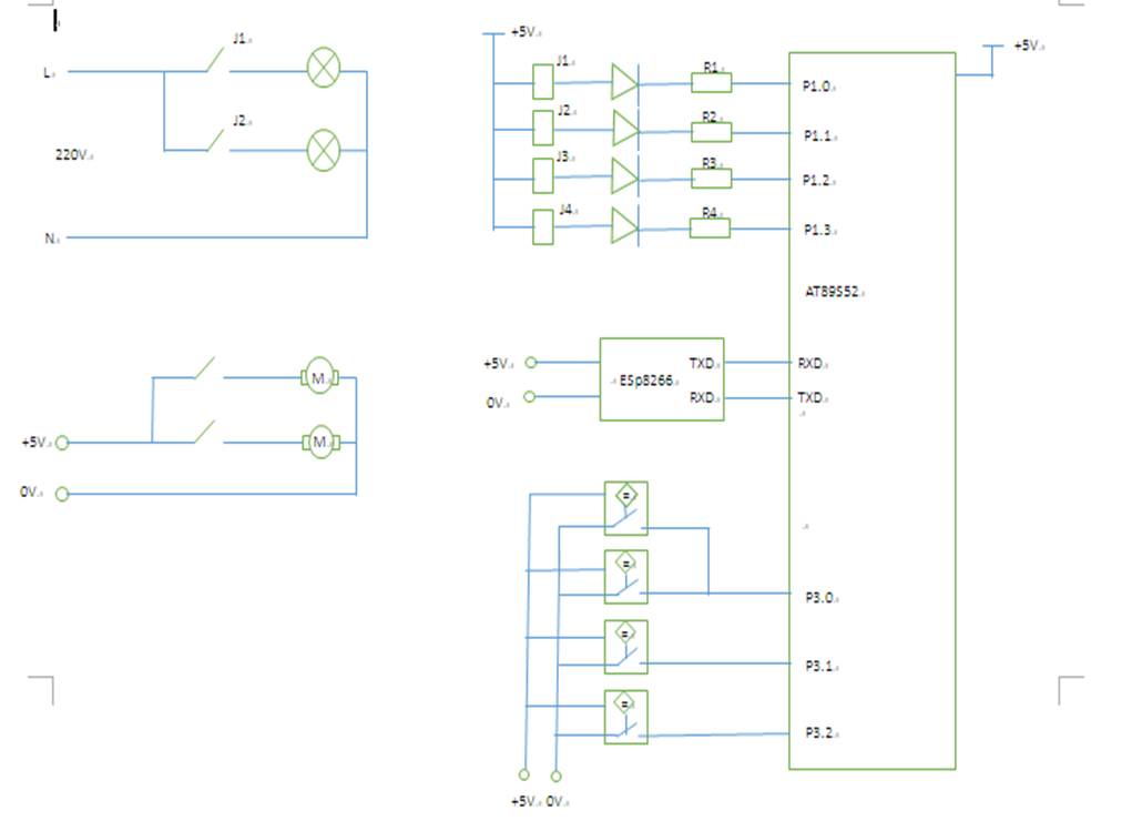
3.物联家庭卫士基本框架

第一:感知层。传感器检测信息,信息传入52单片机(MCU),单片机简单处理,做出回应,并通过串口发送信息至ESP8266。 第二:网络层。ESP8266通过wifi或2G网络连通广域网,将数据进一步处理成TCP包,进行传输。在TCP包基础上,我们开发了YJJM协议。YJJJM协议有效地帮助我们通讯,同时有加密算法保证我们的安全。加密算法为我们自主开发的扑克算法。此时数据被发送到我们租凭于阿里云的ECS服务器。( 1.6将采取mqtt协议上包装我们的yjjm,提升稳定性,并兼容国际标准。) 第三:处理层。ECS服务器基于Linux操作系统。服务器接入图灵机器人或者将来自行开发的基于chatterbot的聊天机器人(项目已经完成10%),给用户提供良好的低成本的的人工智能。 第四:应用层。报警信息由公众号(目前只能订阅消息)通过聊天界面发送和通过邮件(绑定qq邮箱)发送给用户,同时做出现场决策。且兼容目前大多数的非智能家电。同时用户可以通过web端后台或者微信小程序进行直接便捷地控制家庭卫士。

4.物联家庭卫士产品功能

1、防CO中毒模块 CO探头实时检测CO气体浓度,若浓度上升至危险值,系统自动打开排气扇,待数据安全后再关闭。若家中使用煤气,系统也会自动关闭煤气阀门。 2、防燃气泄露模块 可燃气体探头实时检测浓度,当数值异常上升时关闭阀门。当系统检测到家中无人时,也会自动关闭煤气阀门。您也可以出门后通过微信手动关闭阀门。 3、防火模块 布置于厨房的火焰探头检测到火情时,水泵自动喷水灭火。检测到火情已被消灭即停止灭火。 4、防盗模块 运动感应探头监控着窗户和防盗门,有贼闯入立即微信报警。用户在家时可以设置探头关闭。当你外出旅游,家中无人时再选择起用探头,当有小偷破门闯入时,由于互联网的全球性,只要您在联网状态下,全球各地都能收到报警。设备曾经测试过美国旧金山的终端,同样能接受到来自广东新会主板传送的报警信息。 5、自定义灯光控制系统 灯光可以随心所欲由用户微信控制。 用户只需微信向机器人发送开灯,关灯指令,安全卫士即可响应。 6、岭南特色回南天防潮湿空调 智能空调市面上很多,但是大多偏重于温度控制。而我们这款空调却是专为岭南特有的回南天天气设计的,少有相似产品。回南天天气会导致室内潮湿,而物联家庭卫士的湿度传感器在感应到相对湿度大幅超过体感舒适湿度时会自动关窗,开启空调,保证家里的湿度稳定。并且会发送微信信息,通知用户家中空调开启。用户如想关闭空调,可以在网页端手动关闭。

Interior Stats

10

Clients

65

Coffee

1021

Awards

1010

Ideas

主要成员Principal Members

阮振荣

团队创始人,技术总监

梁浩彬

团队引领员,设计总监

孙启亮

团队宣传人,市场总监

黄峥

团队核心成员,智能硬件团队负责人

Interior Skills

Projects 100%
Meeting 85%
Deals67%

我们的未来 安全卫士1.6

Get in Touch

Contact Us